
KIPP - AUFLAGEBOLZEN MIT ZAPFEN, FORM:B RUND, INNENGEWINDE D=M06, H=12,5, SW=17, VERGÜTUNGSSTAHL VERGÜTET UND BRÜNIERT


13,83 € inkl. MwSt
11,62 € exkl. MwSt
Preis pro Stück
GTIN: 4059245004294
Art.-Nr. V00000002085344
VARIANTENAUSWAHL
Menge
Sichere Bezahlung
BESCHREIBUNG
TECHNISCHE DATEN
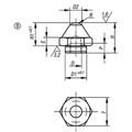
Auflageform
rund
Ausführung
mit Zapfen
Befestigungsart
Innengewinde
Benennung
Auflagebolzen
D1=Außendurchmesser
7
D2=Bolzendurchmesser
11.9
D=Gewinde
M6
Form
B
Gewicht in kg (ERP)
0.0159
H=Höhe
12.5
Material Grundkörper
Vergütungsstahl
Oberfläche Grundkörper
vergütet und brüniert
P
6
R
6
SW=Schlüsselweite
17
DOKUMENTE UND DOWNLOADS

