
Ganter Norm® - 179-B24-45-A Positionierbuchsen (Bohrbuchsen), ohne Bund


13,58 € inkl. MwSt
11,41 € exkl. MwSt
Preis pro Stück
GTIN: 4045525003361
Art.-Nr. V00000003116915
VARIANTENAUSWAHL
Menge
Sichere Bezahlung
BESCHREIBUNG
TECHNISCHE DATEN
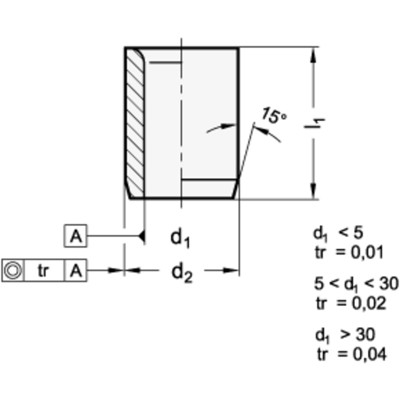
d2
35
Durchmesser D1
B 24
Form
A. Bohrung einseitig gerundet
Gewicht
0.177 kg
Länge L1
45
x5
B 24.5

