
Ganter Norm® - 880-G3/8-ST-K Ölablassventile


15,87 € inkl. MwSt
13,34 € exkl. MwSt
Preis pro Stück
EAN 4045525898059
Art.-Nr. V00000003144689
VARIANTENAUSWAHL
Menge
Sichere Bezahlung
BESCHREIBUNG
TECHNISCHE DATEN
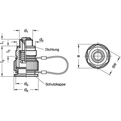
d3
M22 x 1.5. M22 x 1.5
D4
26
E
25.4
Form
K. mit Kunststoff-Schutzkappe und Halteseil
Gewicht
0.061 kg
Gewinde d1
G 3/8
L1
7.5
L2
10.5
L3
31
SW
22
Werkstoff
ST. Stahl

