
KIPP - LENKROLLE MIT FESTSTELLSYS STOP-FIX, D=100, B=40, POLYURETHAN, M.GERINGEM ROLLWIDERSTAND, KOMP:STAHL


126,95 € inkl. MwSt
106,68 € exkl. MwSt
Preis pro Stück
EAN 4059245595570
Art.-Nr. V00000003515771
VARIANTENAUSWAHL
Menge
Sichere Bezahlung
BESCHREIBUNG
TECHNISCHE DATEN
-Material Laufbelag-
Kunststoff
-Raddurchmesser-
100 mm
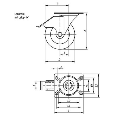
A
45
Ausführung
mit Feststellsystem stop-fix;mit geringem Rollwiderstand
B1
80
B2
75
B3
110
B=Rollenbreite
40
Befestigungsart
Anschraubplatte
Benennung
Lenkrolle
D1
11
D=Rollendurchmesser
100
Gewicht in kg (ERP)
1.5900
H=Gesamthöhe
130
L
140
L1
105
Material Grundkörper
Polyurethan
Material Komponente
Stahl
Produkttyp
schwere Ausführung
R
95
Radlagerung
Kugellager
Tragfähigkeit kg
350
Ursprungs-Region
08
DOKUMENTE UND DOWNLOADS

